Home

Item 4:

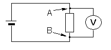
As shown in the circuit, there is a potential difference across a resistor, if it is connected to a battery and a current is flowing.

.

Question :

Is there any difference in the physical state between the contact points A and B on the opposite sides of the resistor?

 

Which of the following answers do you think is correct or makes sense to you?

 

  • 1) There is no difference in the physical state between the contact points
    A and B.
  • 2) There must be a difference, but I cannot say what it is.
  • 3) Throughout the cross-section of the wires at A and B the density of the free electrons, forming the electric current, is different.
  • 4) The surface of the wire at A and B is charged differently.
  • 5) The free electrons at A and B, forming the electric current, have different energy.

next question