Home

Item 2:

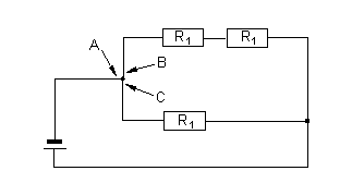
In an electric circuit with a branching point, the current is split up at the branching point according to the resistors within the different parallel branches.

The larger the resistor in such a branch, the smaller the current through this branch and vice versa.

Question: Is there any difference in the physical state of the wires at A, B and C, adjoining the branching point from different sides, which can explain the correct splitting of the stream of electrons?

 

Which of the following answers do you think is correct or makes sense to you?

 

  • 1) There is NO difference in the physical state of the three wires near the point of branching, besides the amount and direction of the drifting electrons.
  • 2) There must be a difference, but I cannot say what it is.
  • 3) The density of electrons throughout the 3 cross sections forming the electric current is different.
  • 4) The density of electrons at the surface of the 3 cross sections is different.
  • 5) The electrons at the 3 cross sections have different energy.

next question