Home

To item 4:

.

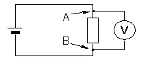
Question : Is there any difference in the physical state between the contact points A and B on the opposite sides of the resistor?

Statement 1 : I think this question is an important one. Students, who have finished an electricity course, should know the correct answer.

 

This statement is

correct; - only partly correct; - partly incorrect; - incorrect

 

Statement 2 : The answer to this question is interesting for me.

This statement is

correct; - only partly correct; - partly incorrect; - incorrect

 

next question