Home

To item 2:

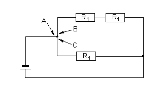
Question : Is there any difference in the physical state of the wires at A, B and C, adjoining the branching point from different sides?

Statement 1 : I think this question is an important one. Students, who have finished an electricity course, should know the correct answer.

 

This statement is

correct; - only partly correct; - partly incorrect; - incorrect

 

Statement 2 : The answer to this question is interesting for me.

This statement is

correct; - only partly correct; - partly incorrect; - incorrect

 

next question